IM3-40B, IM3-80B
Bináris bemeneti egységek, 4 bemenet és 8 bemenet
Eszközök áttekintése
A termékterv és használat áttekintése. Tartalmazza az áramkörrajzokat, csatlakozási pontok részleteit stb.


Fő jellemzők
Az IM3-40B és IM3-80B bináris bemeneti egységek alapvető elemei az iNELS rendszernek, sokoldalú csatlakozási lehetőségeket és funkciókat kínálva. Íme áttekintés a jellemzőikről:
Eszközkapcsolódás: 4 vagy 8 potenciálmentes érintkezővel rendelkező eszköz csatlakoztatására szolgál, ideértve kapcsolókat, gombokat, PIR detektorokat, tűz- és gázérzékelőket és egyebeket.
Riasztódetektor integráció: A bemenetek egy része riasztódetektorokhoz kiegyensúlyozottként konfigurálható:
- IM3-40B: IN1 és IN2 bemenetek
- IM3-80B: IN1-től IN5-ig terjedő bemenetek
Érintkezők konfigurálása: A készülék bemeneteire csatlakoztatott külső eszközérintkezők a iDM3 szoftverrel Nyitott (NO) vagy Zárt (NC) állásra konfigurálhatók. Az iDM3 szoftverben konfigurált belső ESS-en belül a bemeneteket kiegyensúlyozottnak vagy dupla kiegyensúlyozottnak kell beállítani.
Tápfeszültség generálása: 12 V DC / 75 mA tápfeszültséget generál külső behatolásérzékelők, például PIR detektorok, tűz- és gázérzékelők táplálásához.
Nagyobb fogyasztásra vonatkozó figyelmeztetés: A 12 V DC kimenet aktív használata az érzékelők táplálására növeli az egységek névleges fogyasztását a BUS-ról, ahogy azt a műszaki adatok ismertetik.
Impulzus-számlálási képesség: Képes impulzusokat számolni impuluskimenettel rendelkező energiavagy mérőkből, energiamegfigyelési alkalmazások funkcionalitását biztosítva.
Hőmérséklet bemenet: Hőmérséklet bemenettel rendelkezik külső kétvezetékes hőmérsékletérzékelő (TC/TZ) csatlakoztatásához, bővítve a környezeti megfigyelési képességeket.
Szerelési rugalmasság: Az IM3-40B és IM3-80B egységek, B típusú tokba szerelve, szerelőládába történő beépítésre készültek, biztosítva a kompatibilitást a szabványos szerelési megoldásokkal.
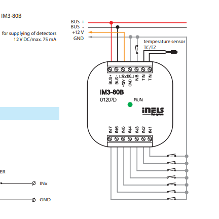
Példa áramköri rajz / Bekötési rajz



Kompatibilitási táblázat (CU, minimális FW verzió és integráció)
A diagram bemutatja a kapcsolóaktuátor és különböző központi egységek, firmware verziók és integrációs lehetőségek közötti kompatibilitást.
1
CU3-01M
02.00.00
N/A
N/A
2
CU3-02M
02.00.00
N/A
N/A
3
CU3-07M
02.00.00
Igen
Igen
4
CU3-08M
02.00.00
Igen
Igen
6
CU3-09M
Előkészítés
Előkészítés
Előkészítés
7
CU3-10M
Előkészítés
Előkészítés
Előkészítés
Programozás iDM-ben
Bevezetés
Az iNELS Design Manager, vagy IDM3, az iNELS egységek programozására szolgál. Ez a szoftver szolgál a készülékparaméterek konfigurálásának, funkciók meghatározásának és az iNELS egységekhez szükséges programozás végrehajtásának platformjaként.
A készülékparaméterek, például az érzékelő tartománya és küszöbértékei, háttérvilágítások és működési módok könnyen állíthatók az IDM3-ban.
Az IDM3-ban történő programozás folyamata jellemzően magában foglalja a funkciók meghatározását és logikai kapcsolatok létrehozását különböző eszközök között. Ez lehetővé teszi automatizálási forgatókönyvek létrehozását és intelligens vezérlési stratégiák megvalósítását.
Indítás
Válassza a "kék vezérlő ikont" ahogyan a 1. ábra > Kattintva az opcióra "Új projekt az alapértelmezett sablonból“ lehetővé teszi, hogy új projektet hozzon létre egy előre definiált sablonból.
Válassza a "Eszközkezelő" (1. ábra)> Hozzáadás "Új egység "> Válassza ki a központi egységet > Hozzáadás "Új egység">Válassza az "Internal-Master/BUS"> Hozzáadás "Új egység "> Adja hozzá az eszközöket> Kattintson az eszközökre a "Paraméterek" megtekintéséhez.

Paraméterek:
Paraméterek az iNELS eszközökben a mérhető tényezőkre vagy jellemzőkre vonatkoznak, amelyek meghatározzák az eszköz viselkedését vagy teljesítményét. Ide tartozhatnak elektromos tulajdonságok, fizikai méretek, környezeti feltételek és egyéb specifikációk az eszköz típusától függően.
Ezek az egyes eszközökre az automatizálási rendszerben jellemző beállítások. Az IM3-40B, IM3-80B konkrét paraméterei az iDM-ben a következőképpen jelennek meg 2. ábra


Az IM3-40B, IM3-80B-re kattintva (2. ábra), a kiválasztott firmware-re, címre, névre és leírásra, valamint az alább ismertetett egyéb paraméterekre navigálhat:
Fontos megadni az eszköz címét a megfelelő kommunikációhoz az egységgel. A hexadecimális eszközcímet megtalálhatja az eszközön.
1. IN 1-4 (Bemeneti csatornák 1-4): Az IN 1-4 az IM3-40B egységek bemeneti csatornáit jelölik. Ezek a csatornák potenciálmentes érintkezőkkel rendelkező eszközök csatlakoztatására szolgálnak, mint például kapcsolók, gombok, PIR detektorok, tűz- és gázérzékelők stb.

Bemenet invertálása: Meghatározza, hogy a bemeneti jel invertált-e, azaz logikai állapota megfordul-e. Ez a paraméter az iDM3 szoftverben konfigurálható.
Kiegyensúlyozott bemenet: Jelzi, hogy a bemenet kiegyensúlyozottként van-e konfigurálva, amelyet tipikusan riasztódetektorokhoz használnak. Lehetővé teszi az egység számára a kiegyensúlyozott állapot változásainak észlelését, riasztási feltételek jelzését.
Dupla kiegyensúlyozott bemenet: Meghatározza, hogy a bemenet dupla kiegyensúlyozásra van-e konfigurálva, javítva a riasztási feltételek észlelésének pontosságát. Hasznos kritikus riasztórendszerekhez, amelyek nagyobb fokú redundanciát és megbízhatóságot igényelnek.
Rövid/Hosszú nyomás szigorú elkülönítése: Meghatározza a bemeneti jel viselkedését a nyomás időtartama (hosszú vagy rövid) alapján. Lehetővé teszi a rövid és hosszú nyomásesemények megkülönböztetését, összetettebb vezérlési funkciókat engedve.
2. TIN (Hőmérséklet bemenet): A TIN paraméter az IM3-40B egység hőmérséklet bemenetére utal. Ez a bemenet lehetővé teszi egy külső kétvezetékes hőmérsékletérzékelő (TC/TZ) csatlakoztatását, bővítve az egység képességeit hőmérséklet-alapú vezérlésre vagy megfigyelésre.

Érzékelő típusa: Meghatározza a TIN bemenethez csatlakoztatott hőmérsékletérzékelő típusát (például termopár, termisztor).

Hőmérséklet ofszet: Lehetővé teszi kalibrációs beállítások elvégzését az esetleges érzékelőhiba kompenzálására.
Minimális hőmérséklet: Beállítja a méréshez vagy vezérléshez engedélyezett minimális hőmérsékleti küszöbértéket.
Maximális hőmérséklet: Beállítja a méréshez vagy vezérléshez engedélyezett maximális hőmérsékleti küszöbértéket.
Átlagolási idő: Meghatározza azt az időtartamot, amely alatt több hőmérsékleti mérés átlagolásra kerül a stabil és pontos mérés érdekében. Segít csökkenteni a zajt és a hőmérsékleti ingadozásokat, biztosítva a pontos vezérlést vagy megfigyelést.
Az IM3-80B hasonló paraméterekkel rendelkezik, mint az IM3-40B modell. Ezek a paraméterek magukban foglalják az eszköz funkcióit és működési jellemzőit, az adott alkalmazások igényeihez igazítva.
Ezeknek a paramétereknek az értelmezése és konfigurálása elengedhetetlen az IM3-40B és IM3-80B bináris bemeneti egységek funkcionalitásának és teljesítményének optimalizálásához az iNELS rendszerben, lehetővé téve testreszabott vezérlési és megfigyelési megoldásokat.
Exportok az iNELS Cloud és APP számára
Vezérlés és felügyelet beállítása iNELS Cloud és iNELS App számára
Lehetséges az összes buszegység vezérlése és felügyelete az iNELS Cloudban és az iNELS alkalmazásban. Ennek a funkciónak a beállítása két lépésből áll. Az első lépés az iDM3-ban történő konfiguráció, a második lépés pedig az iNELS cloud oldalon és az iNELS alkalmazásban történő konfiguráció.
Konfiguráció az iDM3-ban.
1. Egység- és paraméterkiválasztás:
Kezdje az iDM3 felület elérésével a CU-hoz csatlakoztatott számítógépen. Navigáljon az Eszközkezelő szakaszhoz, és gondosan válassza ki azokat az egységeket és paramétereket, amelyeket vezérelni kíván. Ez a lépés fontos annak meghatározásához, hogy mi kerül exportálásra az iNELS cloudba és az alkalmazásba.

2. CU konfiguráció és harmadik fél beállítások:
A fenti lépés után lépjen a CU konfigurációjához az iDM3-ban, és válassza ki a harmadik fél beállításainak lapját.
A harmadik fél beállítások oldalán jelölje ki a cloud kapcsolathoz használandó portot. Állítsa be a működési módot és válassza a numerikus rendszert hexadecimálisra. Ügyeljen az összes lényeges paraméter ellenőrzésére és konfigurálására a sikeres cloud export érdekében.

3. Cloud beállítások:
Lépjen tovább az iDM3 Cloud beállítások részéhez.
Adja meg iNELS cloud fiókja adatait. Ha még nem hozott létre fiókot, használja az iNELS Cloud weboldal "Új felhasználó" lapját egy ingyenes fiók létrehozásához.Inels Cloud - ElkoEP).
Válassza ki a módot és adja meg a cloud fiók hitelesítő adatait. Mentse a projektet a központi egységbe, hogy létrejöjjön és tárolódjon az export projektfájl az iNELS cloud fiókban.

Konfiguráció az iNELS cloud oldalon és az iNELS alkalmazásban.
1. Online állapot ellenőrzése:
Miután az iDM3-ban a cloud hitelesítő adatok és export beállítások sikeresen konfigurálva lettek, ellenőrizze az iNELS cloud fiók Gateway szekcióját. Győződjön meg róla, hogy a Központi Egység (CU) online van és hogy az export fájl automatikusan elküldésre került a cloud fiókja alá.

2. Eszköz létrehozása a cloud platformon:
A cloud platformon új eszközöket kell létrehoznia ahhoz, hogy távolról vezérelhesse azokat.
Az eszköz fülön megtalálja az eszköz hozzáadása gombot, amellyel az iDM-ből exportált elemeket társíthatja a szükséges típusokkal és ikonokkal.

Bármilyen eszköznév megadása után válassza ki az ikont, a kommunikációs gateway (esetünkben CU3) MAC címét, az adott eszköztípust, valamint egy konkrét funkció és elem címét az iNELS BUS rendszerből.
Annak érdekében, hogy az iNELS alkalmazással vezérelhesse a CU eszközeit a helyi hálózaton vagy a cloudon keresztül, szükséges minden központi egységhez létrehozni egy szobát a busz eszközök számára és hozzáadni az eszközöket a szobához.
Kövesse ezeket a lépéseket gondosan, hogy zökkenőmentes konfigurációs folyamatot biztosítson az összes buszegység iNELS cloudon és iNELS alkalmazáson keresztüli vezérléséhez és felügyeletéhez.
Harmadik fél integráció az iNELS BUS-szal
Harmadik fél integráció (MQTT)
Az iNELS egységek MQTT integrációt támogatnak a CU3-07M, CU3-08M, CU3-09M és CU3-10M központi egységeken. Szükséges kiválasztani az eszközöket és paramétereket a harmadik fél integrációhoz az eszközkezelőben az iDM-ben.
Kérjük, vegye figyelembe, hogy az integrációhoz az installációban futnia kell egy MQTT brokernek (helyi vagy felhő).
Miután van működő MQTT broker, konfigurálnia kell az iNELS központi egységeket, hogy kommunikáljanak vele. Ha nem ismeri az MQTT-t, tanulmányozhatja azt az MQTT Essentials cikkekből. https://www.hivemq.com/mqtt/
Az iNELS bridge-ben előtelepített MQTT broker található, amely használható az iNELS központi egységek csatlakoztatásához az integrációban a projektjeiben.
Konfiguráció az iDM3-ban: Válassza ki a harmadik fél integráció egységeit.
Egység- és paraméter kiválasztása:
Kezdje azzal, hogy hozzáfér az iDM3 felületéhez a PC-n, amely a CU-hoz csatlakozik. Navigáljon az Eszközkezelő részhez, és gondosan válassza ki azokat az egységeket és paramétereket, amelyeket vezérelni kíván. Ez a lépés elengedhetetlen annak meghatározásához, mi kerül exportálásra a harmadik fél integráció felé MQTT-n keresztül.

2. CU konfiguráció és harmadik fél beállításai:
A fenti lépés után lépjen a CU konfigurációhoz az iDM3-ban, és válassza ki a harmadik fél beállításainak lapját.
A harmadik fél beállítások oldalán jelölje ki a harmadik fél csatlakozásához használandó portot. Állítsa be az üzemmódot és válassza a numerikus rendszert hexadecimálisra. Ügyeljen minden lényeges paraméter ellenőrzésére és konfigurálására a sikeres harmadik fél integráció érdekében.

3. MQTT beállítások:
Folytassa az iDM3 belül az MQTT beállítások szakaszhoz.
Adja meg az MQTT broker részleteit.
Válassza ki az üzemmódot, és adja meg a broker-hitelesítő adatokat, mint IP, port, felhasználónév és jelszó. Mentse el a projektet a központi egységbe.

MQTT payload
Az MQTT payload leírásához kérjük, hivatkozzon az alábbi linkre. https://wiki.inels.com/v/inels-bus/3rd-party-integration/mqtt-payload-description-of-inels-bus-devices
Mellékletek
Adjon meg bármilyen opcionális, kiegészítő információt, amely segíthet a termékfunkció átfogóbb megértésében
Last updated